2011 - Trike II
Un trike pour les séniors

Ce tricycle est inspiré du Rover de TerraTrike.
Plans

Plan en PDF.

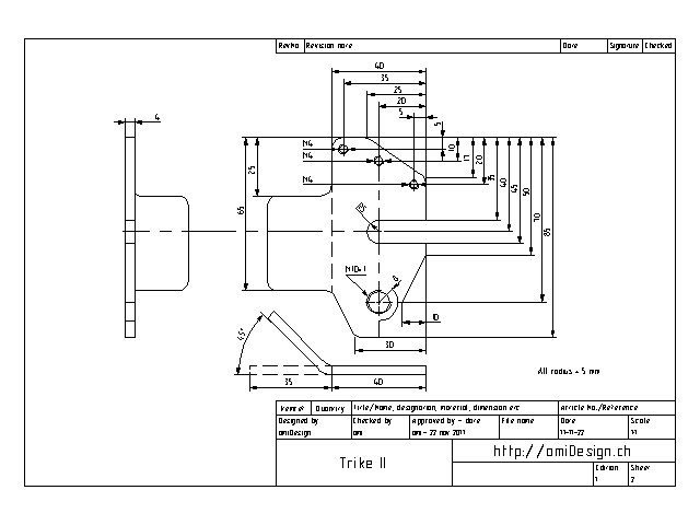
Fourchette droite.

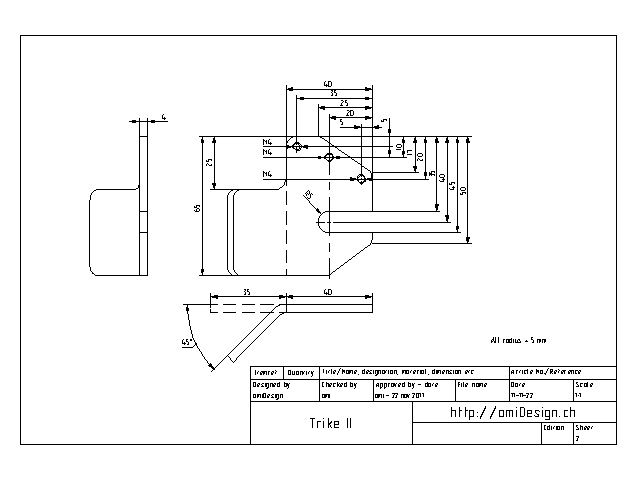
Fourchette gauche.
Liste des accessoires : Accessoires en PDF.
Liste des pièces en métal : Liste des pièces en PDF.
Roues pour deux trike.
Accessoires.

Détail du pivot.

Détail du siège.

Structure du siège.
Pièces des pivot et des guidons.
Pièces de serrage des demis guidons.
Filière Mf20.
Les axes de roue fini.
Le projet avance bien.
Patte arrière droite.
Premier tube du siège.
Le tube est dabord remplis de sable sec et bien tassé.
Quelques outil de base
Mon tour 300 mm
Tour1.
Tour2.
Tour3.
Tour4.

